无锡博通微电子(品牌:环球半导体)加入终端快充行业协会,能为我们快充行业提供更多的解决方案,共同引领快充发展。

关于博通微电子的介绍
无锡博通微电子创立于2012年,持续专注于电源管理芯片的创新研发及电源一站式解决方案供应商。旗下品牌(环球半导体Global Semiconductor)拥有数字电源IC、数模电源IC、PD快充和同步整流IC(耐压40-180V)等多条产品线,为客户提供100W以内AC-DC的全系列电源解决方案。核心技术团队来自于国内外著名半导体公司,均拥有18年以上的电源管理IC研发及应用的资深行业经验。产品广泛应用于:AI智能家居、移动终端、网络通讯、白色家电、电动工具等领域的AC to DC供电管理系统。
无锡博通微电子自创立以来一直秉持自主创新、品质保障和知识产权保护相结合的发展战略,目前与西安电子科技大学微电子学院、华南理工大学、清华大学无锡应用技术研究院集成电路创新中心共同建立了联合研发实验室。已拥有数项发明专利及集成电路设计布图。国家高新技术企业、无锡市“滨湖之光”高层次领军人才企业、2018年无锡市集成电路设计产业优质项目、2019年无锡市瞪羚计划企业。公司产品以优质的质量和贴近客户需求的解决方案,并得到多家国内、外终端品牌客户使用和肯定。无锡博通微将持续以技术创新引领,打造高品质电源芯片品牌,一直为客户提供最具竞争力的产品和解决方案,努力成为国产电源芯片领域的佼佼者。
博通微电子相关产品介绍
一、100W以内全功率段AC-DC电源产品
产品覆盖 高、中、低端各类电源市场,广泛应用于PD快充、智能家居、电动工具等领域。外推、内置MOS/BJT多种方案可选,支持DIP、SOP、DFN等常规封装。
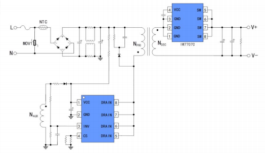
例如扫地机电源解决方案,具备超低待机功耗,满足全球六级能效,±4% 恒压(CV)/恒流(CC)输出精度,动态良好,可调式精准输入过压保护(OVP),保护负载设备,交流输入过压欠压保护,避免电网不稳损坏电源。

二、30~45W快充产品
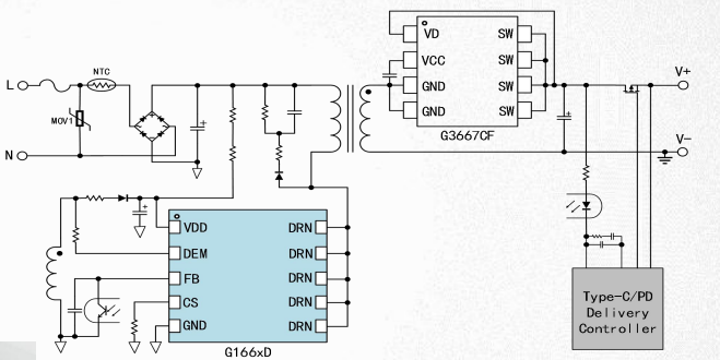
例如推出的G166xD系列的产品,推出的高性能快充芯片系列解决方案,所设计的快充电源具有高主频90kHz,适合“小体积”方案。同时VCC供电范围在7~80V,满足快充全电压输出范围的需要,并且配套全模式同步整流IC,有效抑制CCM模式下VDS尖峰问题的同时获得最佳效率,专利技术的VCC供电结构和开启、关断检测电路以获得极简外围。

三、带峰值功率马达电机电源产品
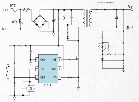
无锡博通微电子所推出的针对电机\马达驱动需求的电源管理芯片,基于数字电源技术开发平台,运算强、精度高。我们可以看到G1611X系列,具有长达3.7S的PeakLoad功能,支持大电流、功率倍增技术。且在功率倍增条件下具有高稳定度输出电压。

融合快充
广东省终端快充行业协会由中国信息通信研究院、华为、OPPO、vivo、小米牵头发起,联合国内端整机、芯片、仪表仪器、充电器、配件等终端快充产业链各方于2021年初开始筹建。
终端快充技术行业是驱动新一代电子信息产业规模应用的关键能力,而博通微电子融入快充行业,相信它会持续优化产品并不断创新,为用户提供全方位的数码解决方案,促进充电接口及技术融合统一。也有助于减少电子垃圾和能源浪费,实现绿色环保和产业的可持续发展,为广大消费者带来更安全、更值得信赖的充电体验。
未来,期待无锡博通微电子与终端快充行业协会将携手打造一个高性能,高效率的快充产品。共同大力推进技术融合,有利于降低电子垃圾,提高资源利用效率。
总结
相信博通微电子的加入,能与终端快充行业协会共同引领快充行业高质量发展,为快充寻找新突破,共同解决成长道路上的困难。